中文版
|
English
|
|
搜 索
首页
产品中心
转舌锁
自动售货机锁
寄存柜锁
智能电子锁
机箱机柜锁/把手锁
锁芯/按压锁
电脑锁
门锁芯
办公家具锁
重型挂锁/报警锁
其他锁具
行业领域
办公寄存
智能终端
智慧城市
3C周边
机车后装
解决方案
办公家居
自助终端
金融终端
机械设备
通信机柜
轨道交通
客户案例
新闻资讯
公司新闻
行业资讯
关于我们
企业简介
企业文化
资质荣誉
联系我们
产品中心
主页
>
产品中心
>
转舌锁
>
雕刻锁
>
产品中心
管状锁
安必乐锁
叶片锁
弹子锁
子母锁
雕刻锁
魔术锁
联系我们
厦门美科安防科技股份有限公司
地址:福建省厦门市集美区灌口镇深青工业区后山头路29号
电话:0592-6360091
手机:庄经理 18150386370
李经理 18150386372
邮箱:mk@makelocks.com
雕刻钥匙转舌锁舌片锁MK110-7K
美科雕刻锁转舌锁舌片锁MK110-7K,有三种雕刻钥匙供用户选择,锌合金材质,安全可靠,十分耐用。常做为机电设备锁,智能终端锁,储物柜锁,保险柜锁,工具箱锁等。
在线咨询
在线咨询
产品名称
*
:
电子邮箱
*
:
联系人 :
电话 :
咨询内容 :
提交
重置
产品概述
●
产品介绍
美科雕刻锁转舌锁舌片锁MK110-7K,有三种雕刻钥匙供用户选择,锌合金材质,安全可靠,十分耐用。常做为机电设备锁,智能终端锁,储物柜锁,保险柜锁,工具箱锁等。
●
产品属性
型号:MK110-7K
材质:锌合金锁壳锁芯;铜钥匙
表面处理:亮铬、亮镍
钥匙牙花:10000以上
●
产品特点
1、三种雕刻钥匙可供选择,皆可双面插拔,操作简易。
2、可定制长度,舌片等。
●
适用范围
智能终端,金融设备,机电设备,柜类,公用电话机,游戏机,地铁闸机,自动售货机,寄存柜,保险箱,广告箱,自动洗衣机,加油设备,机车,信箱和工具箱等。
●
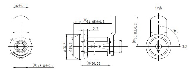
尺寸图
上一篇:
可换锁芯雕刻钥匙转舌锁舌片锁MK110-7J
下一篇:
特殊舌片雕刻钥匙转舌锁舌片锁MK118-06
相关阅读:
雕刻钥匙寄存柜转舌锁MK110B系列
大尺寸雕刻钥匙转舌锁舌片锁MK110-16
雕刻钥匙转舌锁舌片锁MK110-15B
特殊舌片雕刻钥匙转舌锁舌片锁MK118-06
产品中心
转舌锁
自动售货机锁
寄存柜锁
智能电子锁
机箱机柜锁/把手锁
锁芯/按压锁
电脑锁
门锁芯
办公家具锁
解决方案
办公家居
自助终端
金融终端
机械设备
通信机柜
轨道交通
新闻资讯
公司新闻
行业资讯
关于我们
企业简介
企业文化
资质荣誉
联系我们
微信公众号
阿里巴巴店铺
首页
电话
短信
联系