中文版 | English | |

新闻资讯

新闻资讯

联系我们

厦门美科安防科技股份有限公司
地址:福建省厦门市集美区灌口镇深青工业区后山头路29号
电话:0592-6360091
手机:庄经理 18150386370
李经理 18150386372
邮箱:mk@makelocks.com

梅花锁是如何实现安全防护工作的

来源:未知作者:美科安防 日期:2019-08-01 09:56

梅花锁是如何实现安全防护工作的
 
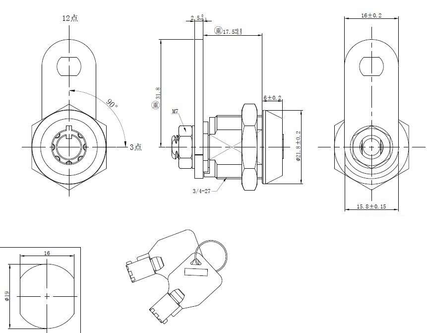
  梅花锁又名管状锁,是目前工业、商业中应用较广的一种锁。它通过内部结构来控制门锁转动,其工作原理较为简单,但安全性能远不输其他锁具。目前,此类锁具包括七颗铜弹子和十颗铜弹子两种规格,在行业内可以做到上万种钥匙。那么梅花锁又是如何实现安全防护工作的呢?下面跟着小编一起来了解一下吧!
 
 
  梅花锁的锁芯表面上沿径向分布着若干个孔,这些孔与锁体上的孔相对应,并保证必要的同心度。一般情况下,锁体孔中的上弹子插入锁芯孔中,或锁芯中的下弹子插入锁体孔中,使锁芯不能任意旋转。钥匙插入后,由于钥匙齿距与弹子孔逐一对应,齿深与下弹子长度相对应,因而使上弹子与下弹子的接触面正好与锁芯和锁体的接触面相重合,锁芯因此可以自由旋转,带动整体实现开关动作。
 
  梅花锁的锁芯中间是一块槽,槽的一端用来放入钥匙,末端是一个杠杆。槽上方的突出部分是为了防止下弹子掉下,也是为了提高锁具的安全系数。锁芯的上方有5个小孔排列成一条直线,用来安置不同长度的弹子,弹子的下方呈球状,让插入的钥匙能轻松通过。
 

 
  目前,美科生产的梅花锁主要是MK100B系列,该系列总共有7种规格:MK100BXS/ MK100BS/ MK100BM/ MK100BL/ MK100BXL/ MK100BXXL/ MK100BXXXL,客户可根据需求定制锁舌作用的长度。此款锁具广泛适用于智能终端、机电设备、各种柜类、地铁闸机、自动售货机、广告箱、加油设备、信箱等多种工业场所和商用场所。


 
  梅花锁MK100B系列采用锌合金、铜、铁和不锈钢材质制成,锁的表面经过亮铬、亮镍等特殊工艺处理,使其表面有光泽细腻,颇具美感;客户可根据需求选择是否需要配置防钻钢珠,防钻钢珠将能更有效的防止锁具被破坏;锁的本身带有万能系统,通过管理钥匙即可开启不同类型的锁;此款锁具共设置7颗弹子或者10颗弹子两种规格,钥匙牙花在10,000以上,相比行业内同类型锁具的配置更高。如果您想获得更详细的关于梅花锁MK100B系列的资讯,请拨打热线电话0592-6360091或在官网中给我们留言吧!

  • 微信公众号

  • 阿里巴巴店铺

首页
电话
短信
联系